产品

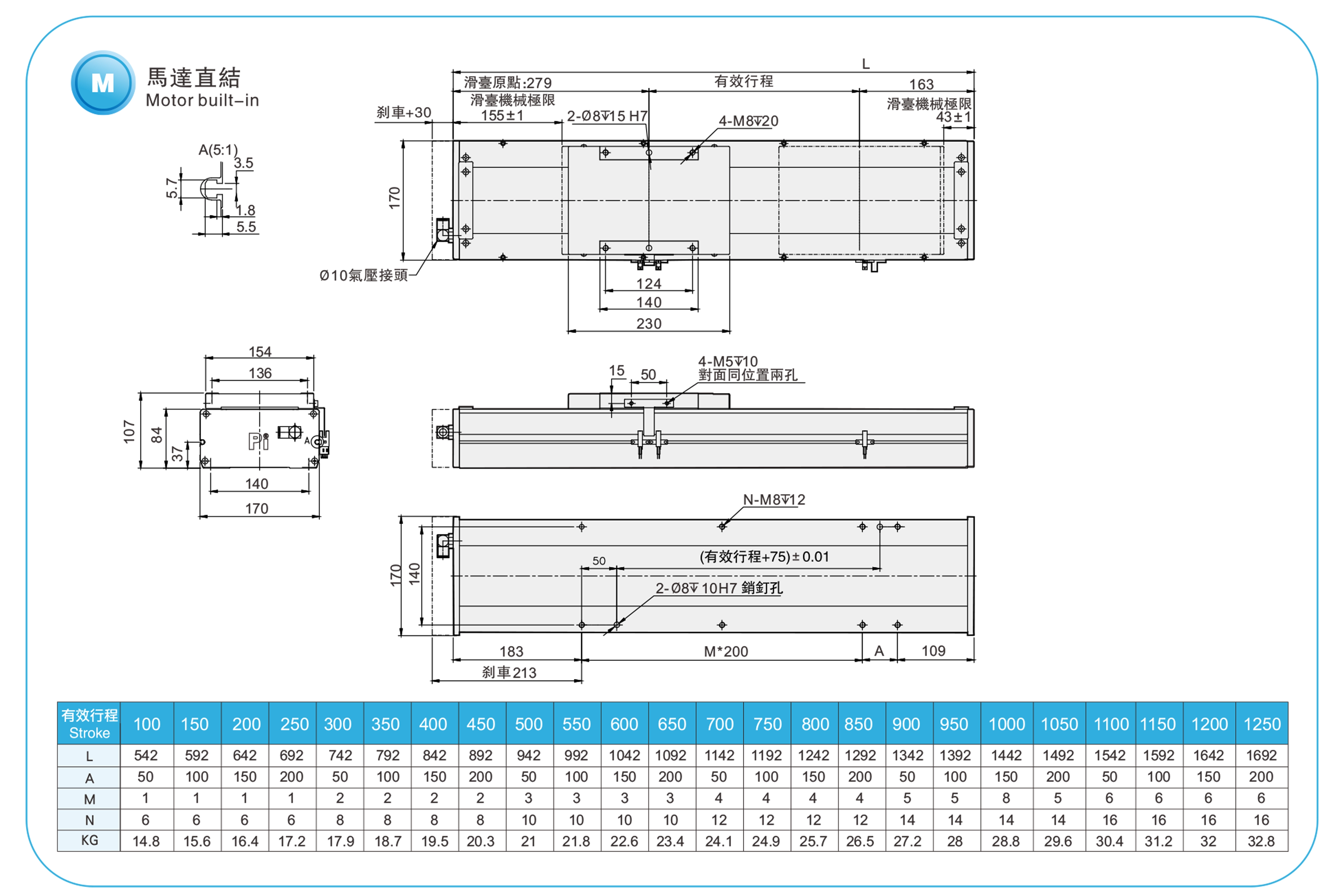
重复精度:±0.01mm
水平载荷:120公斤
垂直载荷:50公斤
最高速度:2000毫米/秒
冲程螺距:100-1250毫米
将电机加速和减速时间设置为0.2秒。
标准规范不适用于倒置式起重机。如有任何要求,请致电或在线留言联系我们。
配送时间:7-10天






| 规格 | 重复性(毫米) | ±0.01 | ||||
| 滚珠丝杠导程(毫米) | 5 | 10 | 20 | 40 | ||
| 最大速度(毫米/秒) | 250 | 500 | 1000 | 2000 | ||
| 最大有效载荷 | 水平方向(千克) | 120 | 110 | 75 | 22 | |
| 垂直(千克) | 40 | 30 | 14 | 7 | ||
| 额定推力(牛顿) | 1388 | 694 | 347 | 174 | ||
| 桨距(毫米) | 100-1250毫米/50毫米间距 | |||||
| 部分 | 交流伺服电机功率(瓦) | 400瓦 | ||||
| 滚珠丝杠直径(毫米) | C7Ø20 | |||||
| 高刚性直线导轨(毫米) | 宽20厘米,高15厘米 | |||||
| 耦合(毫米) | 12X14 | |||||
| 家庭传感器 | 外部 | EE-SX672(NPN) | ||||
| 内置 | EE-SX674(NPN) | |||||


| 水平安装 | 一个 | B | C | |
| Lead5 | 70公斤 | 3235 | 349 | 408 |
| 90公斤 | 2482 | 263 | 306 | |
| 120公斤 | 1850 | 187 | 217 | |
| Lead10 | 65公斤 | 1911 | 338 | 373 |
| 85公斤 | 1445 | 248 | 276 | |
| 110公斤 | 1102 | 182 | 202 | |
| Lead20 | 35公斤 | 1666 | 547 | 538 |
| 55公斤 | 1030 | 331 | 328 | |
| 75公斤 | 733 | 231 | 230 | |
| 铅40 | 15公斤 | 1126 | 740 | 577 |
| 22公斤 | 755 | 490 | 384 | |
| - | - | - | - | |

| 墙面安装 | 一个 | B | C | |
| Lead5 | 75公斤 | 377 | 322 | 2988 |
| 95公斤 | 288 | 246 | 2333 | |
| 120公斤 | 218 | 187 | 1850 | |
| Lead10 | 60公斤 | 408 | 368 | 2092 |
| 80公斤 | 296 | 266 | 1554 | |
| 110公斤 | 202 | 182 | 1102 | |
| Lead20 | 30公斤 | 633 | 644 | 1961 |
| 50公斤 | 365 | 369 | 1143 | |
| 75公斤 | 230 | 231 | 733 | |
| 铅40 | 12公斤 | 729 | 936 | 1417 |
| 22公斤 | 384 | 491 | 755 | |
| - | - | - | - | |

| 垂直安装 | 一个 | C | |
| Lead5 | 20公斤 | 1368 | 1368 |
| 30公斤 | 911 | 911 | |
| 40公斤 | 683 | 683 | |
| Lead10 | 15公斤 | 1618 | 618 |
| 25公斤 | 970 | 970 | |
| 30公斤 | 808 | 808 | |
| Lead20 | 10公斤 | 1922 | 1922 |
| 14公斤 | 1377 | 1377 | |
| - | - | - | |
| 铅40 | 4公斤 | 2377 | 2377 |
| 7公斤 | 1356 | 1356 | |
| - | - | - | |

| 我的 | 1032 |
| 议员 | 1034 |
| 先生 | 908 |
| 使用地点 | 驱动模式 | 型号规格 | 电机输出 (w) | 宽度(毫米) | 重复性 (毫米) | 滚珠丝杠规格 | 最大有效载荷(千克) | 最高速度 (毫米/秒)*1 | ||
|---|---|---|---|---|---|---|---|---|---|---|
| 外径(毫米) | 铅(毫米) | 水平的 | 垂直的 | |||||||
| 标准环境 | 滚珠丝杠 | RMD12 | 100瓦 | 102 | ±0.01 | 16 | 5 | 50 | 12 | 250 |
| 10 | 30 | 8 | 500 | |||||||
| 20 | 18 | 3 | 1000 | |||||||
| 32 | 5 | - | 1600 | |||||||
| 200瓦 | 102 | ±0.01 | 16 | 5 | 50 | 12 | 250 | |||
| 10 | 30 | 8 | 500 | |||||||
| 20 | 18 | 3 | 1000 | |||||||
| 32 | 5 | - | 1600 | |||||||
| RMD14 | 200瓦 | 135 | ±0.01 | 16 | 5 | 95 | 27 | 250 | ||
| 10 | 75 | 18 | 500 | |||||||
| 20 | 35 | 7 | 1000 | |||||||
| 32 | 15 | - | 1600 | |||||||
| 400瓦 | 135 | ±0.01 | 16 | 5 | 110 | 33 | 250 | |||
| 10 | 88 | 22 | 500 | |||||||
| 20 | 40 | 10 | 1000 | |||||||
| 32 | 30 | 8 | 1600 | |||||||
| RMD17 | 400瓦 | 170 | ±0.01 | 20 | 5 | 120 | 40 | 250 | ||
| 10 | 110 | 30 | 500 | |||||||
| 20 | 75 | 14 | 1000 | |||||||
| 40 | 22 | 7 | 2000 | |||||||
| 750瓦 | 170 | ±0.01 | 20 | 5 | 120 | 50 | 250 | |||
| 10 | 120 | 40 | 500 | |||||||
| 20 | 83 | 25 | 1000 | |||||||
| 40 | 43 | 12 | 2000 | |||||||
| RMD22 | 750瓦 | 220 | ±0.01 | 25 | 5 | 150 | 55 | 250 | ||
| 10 | 150 | 45 | 500 | |||||||
| 25 | 105 | 20 | 1250 | |||||||
| 20 | 40 | 43 | 12 | 2000 | ||||||
| RMD28 | 1500瓦 | 280 | ±0.01 | 32 | 10 | 320 | 150 | 500 | ||
| 20 | 180 | 75 | 1000 | |||||||
| 32 | 75 | 35 | 1600 | |||||||
* 最高速度取决于伺服电机的最大转速(3000 rpm)。最高速度取决于步进电机的最大转速(500 rpm)。






