产品

重复精度:±0.1mm
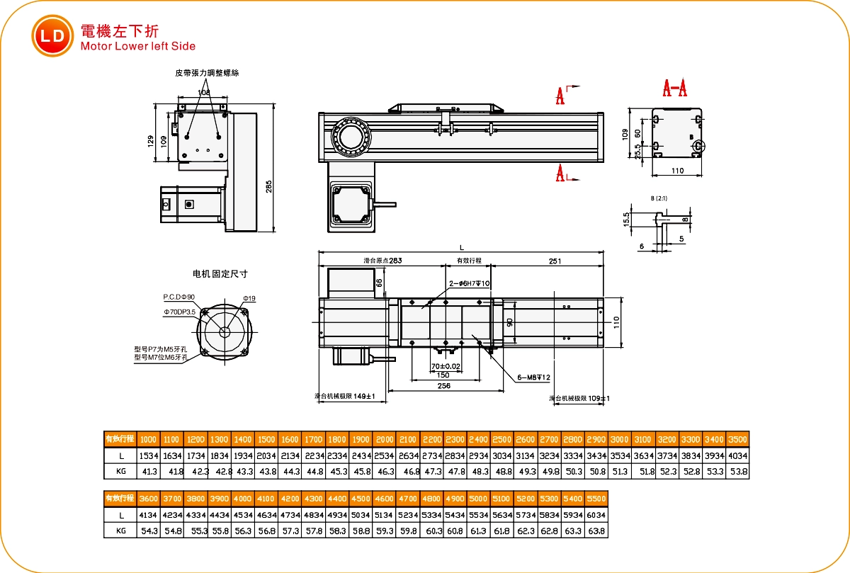
水平载荷:200公斤
导线长度:280毫米
最高速度:1400毫米/秒
冲程螺距:100-5500毫米
将电机加速和减速时间设置为0.2秒。
标准规范不适用于倒置式起重机。如有任何要求,请致电或在线留言联系我们。
配送时间:7-10天





| 规格 | 重复性(毫米) | ±0.1 | ||||||
| 铅(毫米) | 200 | |||||||
| 还原率 | 10:1 | 15:1 | 20:1 | |||||
| 最大速度(毫米/秒) | 1400 | 933 | 700 | |||||
| 最大有效载荷 | 水平方向(千克) | 100 | 150 | 200 | ||||
| 垂直(千克) | 23 | 36 | 50 | |||||
| 额定推力(牛顿) | 517 | 774 | 1034 | |||||
| 桨距(毫米) | 100-5500毫米/100毫米间距 | |||||||
| 部分 | 交流伺服电机功率(瓦) | 750瓦 | ||||||
| 球体宽度(毫米) | 50 | |||||||
| 高刚性直线导轨(毫米) | W23XH19 | |||||||
| 家庭传感器 | 外部 | EE-SX672(NPN) | ||||||


| 水平安装 | 一个 | B | C | |
| 10∶1 | 60公斤 | 1110 | 195 | 25 |
| 80公斤 | 750 | 126 | 16 | |
| 100公斤 | 550 | 85 | 11 | |
| 15∶1 | 90公斤 | 1400 | 160 | 20 |
| 120公斤 | 940 | 100 | 13 | |
| 150公斤 | 650 | 63 | 8 | |
| 20∶1 | 120公斤 | 1400 | 115 | 15 |
| 160公斤 | 900 | 65 | 8 | |
| 200公斤 | 550 | 35 | 5 | |

| 墙面安装 | 一个 | B | C | |
| 10∶1 | 60公斤 | 25 | 195 | 1110 |
| 80公斤 | 16 | 126 | 750 | |
| 100公斤 | 11 | 85 | 550 | |
| 15∶1 | 90公斤 | 20 | 160 | 1400 |
| 120公斤 | 13 | 100 | 940 | |
| 150公斤 | 8 | 63 | 650 | |
| 20∶1 | 120公斤 | 15 | 115 | 1400 |
| 160公斤 | 8 | 65 | 900 | |
| 200公斤 | 5 | 35 | 550 | |

| 垂直安装 | 一个 | C | |
| 10∶1 | 12公斤 | 1300 | 1300 |
| 18公斤 | 870 | 870 | |
| 23公斤 | 680 | 680 | |
| 15∶1 | 14公斤 | 1480 | 1480 |
| 25公斤 | 830 | 830 | |
| 36公斤 | 575 | 575 | |
| 20∶1 | 30公斤 | 750 | 750 |
| 40公斤 | 560 | 560 | |
| 50公斤 | 450 | 450 | |

| 我的 | 1479.3 |
| 议员 | 1479.3 |
| 先生 | 189.7 |
| 使用地点 | 驱动模式 | 型号规格 | 减速器机构 | 电机输出 (w) | 宽度(毫米) | 重复性 (毫米) | 皮带规格 | 最大有效载荷(千克) | 最高速度 (毫米/秒)*1 | ||
|---|---|---|---|---|---|---|---|---|---|---|---|
| 皮带宽度(毫米) | 铅(毫米) | 水平的 | 垂直的 | ||||||||
| 标准 | 正时皮带 | MKR40 | 是的 | 100瓦 | 40 | ±0.1 | 15 | 90 | 8 | 2 | 4500 |
| MKR65 | 是的 | 400瓦 | 65 | ±0.1 | 30 | 130 | 60 | 17 | 5000 | ||
| MKR80 | 是的 | 750瓦 | 80 | ±0.1 | 35 | 200 | 100 | 24 | 5000 | ||
| MKR110 | 是的 | 750瓦/1000 | 110 | ±0.1 | 50 | 280 | 200 | 50 | 5000 | ||
| OBB65 | 是的 | 400瓦 | 65 | ±0.1 | 30 | 110 | 25 | 6 | 5000 | ||









